NACHI轴承
热销产品
联系我们
邮箱:2432028908@qq.com
手机:17521365556
电话:17521365556
地址:上海市嘉定工业区叶城路925号B区4幢J

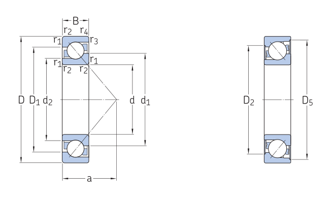
NACHI角接触球轴承可同时承受径向负荷和轴向负荷,转速较高,接触角越大,轴向承载能力越高。
单列轴承只能承受一个方向的轴向负荷,在承受径向负荷时,将引起附加轴向力。并且只能限制轴或外壳在一个方向的轴向位移。
NACHI角接触轴承若是成对双联安装,使一对轴承的外圈相对,即宽端面对宽端面,窄端面对窄端面。这样即可避免引起附加轴向力,而且可在两个方向使轴或外壳限制在轴向游隙范围内。
其次名义接触角有15°、25°、40°三种,NACHI接触角越大轴向承载能力越高。高精度和高速轴承通常取15°接触角,在轴向力作用下,接触角会增大,目前,角接触球轴承的变型结构多达70多种。
一般为内圈或外圈带锁口,内、外圈不可分离。外圈加热膨胀后与内圈、滚动体、保持架组件装配。装球数比深沟球轴承多,额定负荷在球轴承中大,刚性强,运转平稳。可以利用内、外圈相互位移调整径向游隙。常成对使用,并施加预负荷,以提高NACHI轴承刚性。
相关产品